更新时间:2025-05-09
产品型号
厂商性质
浏览次数
产品分类
相关文章
| 品牌 | Aurora/傲乐 | 供货周期 | 一周 |
|---|---|---|---|
| 应用领域 | 环保,化工,生物产业,农林牧渔,制药/生物制药 |
对溶解氧(DO)浓度的精确控制对于维持健康的生态系统至关重要。DO测量可以表明污染或自然因素(如藻类爆发、酸雨或风暴事件)是否正在影响水源。环境监测的远程站点涉及连续DO测量,这些数据可以被记录并通过无线方式传输。AlpHa拥有针对每个应用量身定制的传感器解决方案,包括集成了DO传感器的长期部署声纳仪、现场DO电极、手持式DO解决方案以及定制的光学传感器贴片。
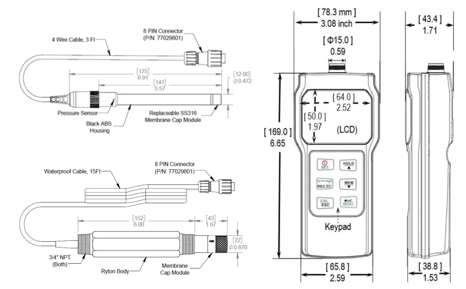
AlpHa全新推出的手持便携式荧光溶解氧仪表可以帮助客户轻松实现工业在线和实验室环境下的水体中氧含量的测定。
仪表具有精度高、稳定性好、维护成本低等优点,分辨率低至十亿分之一(ppb),在现场和实验室使用均能实现高精度。
荧光溶解氧电极技术非常成熟,氧浓度通过嵌入在电极表面涂层的发光淬灭来确定。电极即插即用,无需“预热"时间,也无需填充溶液。
测量范围 | 实验室款:0-20mg/L(ppm), 0-200%饱和度 0-500%饱和度 |
精度 | 0-110%<±1% |
分辨率 | 低量程:<1ug/L(1ppb) |
响应时间 | 从100%降到10%,T90 30秒 |
温度精度 | T90<30秒 |
温度响应时间 | T90 40秒,从5℃-45℃(带搅拌) |
工作温度 | 0-50℃ |
尺寸 | 宽78.3mmX高169mmX长42.4mm |

订货号及配置 | |
DOM-L001-KIT | 仪表、实验室电极、6节AAA电池(7号)、手提箱 |
DOM-G001-KIT | 仪表、工业式电极、金属护套、6节AAA电池(7号)、手提箱 |
仪表和电极 | |
DOM-MT01 | 仪表 |
DOL2-DOM1 | 实验室电极 |
DOGB-DOM1 | 工业电极 |
附件 | |
DOL2-MS02 | 实验室电极膜帽 |
DOGB-MS02 | 工业电极膜帽 |
DOM-CASE | 手提箱 |
上一篇PTSA荧光电极